High precision and high efficiency CNC equipment for turning grinding integrated machining
One time clamping completes turning and grinding, which significantly improves the machining accuracy and efficiency.
Inverted vertical layout, compact structure and good chip removal effect; Fully enclosed protection, beautiful and generous, and effectively prevent chip and coolant splash.
Motorized spindles are used for turning and grinding spindles, which are equipped with circulating water cooling to effectively control the heat source and effectively improve the machining accuracy and machining stability.
The linear feed axis adopts grating ruler full closed-loop feedback to effectively improve the transmission accuracy.
Equipped with circulating silo, the workpiece spindle directly grabs the workpiece from the silo, with high degree of automation and high efficiency.
|
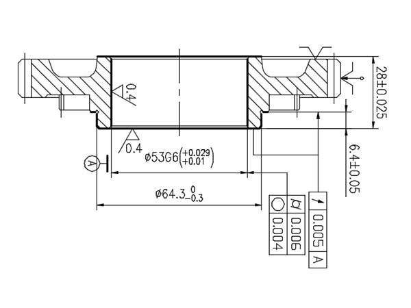
Show artifacts |
|||||||
|
|
|||||||
|
Main specifications and parameters of machine tool |
Maximum rotation diameter (mm) |
Φ260 |
|||||
|
Maximum workpiece diameter (mm) |
Φ200 |
||||||
|
Maximum workpiece length (mm) |
80 |
||||||
|
Workpiece spindle power (kw) |
15 |
||||||
|
Spindle power of internal circular mill (kw) |
15 |
||||||
|
Power of cylindrical grinding spindle (kw) |
18 |
||||||
|
X-axis stroke (mm) |
1600 |
||||||
|
Z-axis stroke (mm) |
300 |
||||||
|
Tool parameters |
Tool specification |
Cylindrical knife:20*20 |
|||||
|
Blade specification |
SDJCR2020K11 |
||||||
|
Blade material |
KW10 |
||||||
|
Cutting parameters |
Processing content |
Finish turning outer circle and end face |
Finish turning inner hole |
Rear end face of rollover |
Finish grinding cylindrical end face |
Fine grinding inner hole |
|
|
Spindle speed |
800r/min |
1000r/min |
800r/min |
3000r/min |
20000r/min |
||
|
Feed rate |
0.08mm/r |
0.1mm/r |
0.06mm/r |
800mm/min |
600mm/min |
||
|
Auxiliary time |
12S |
2S |
2S |
2S |
2S |
||
|
Cutting time |
14S |
20S |
8S |
22S |
20S |
||
|
Step time |
26S |
22S |
10S |
24S |
22S |
||
|
Single piece beat |
106S |
||||||